学院动态

College profile

学院动态
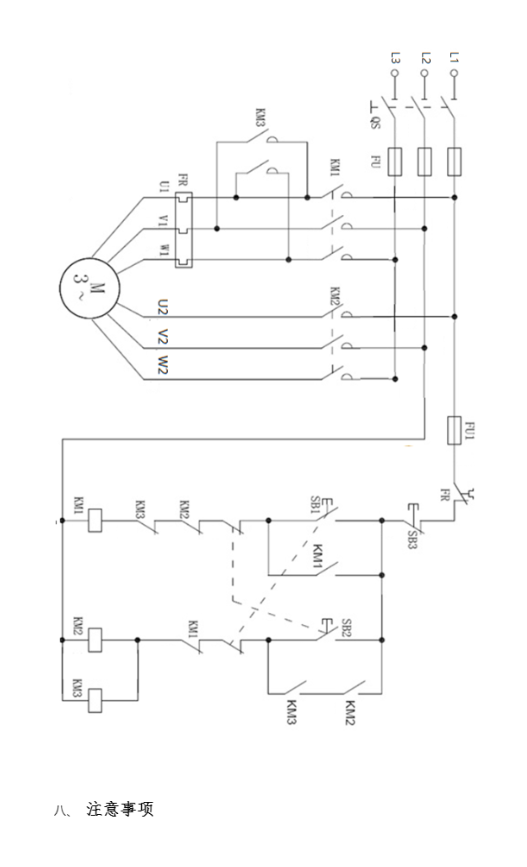
重庆机电职业技术大学“电气之星”电气接线与调试技能赛
2023-11-06

重庆机电职业技术大学“电气之星”电气接线与调试技能赛

2023-11-06 18:34:31   来源:

image

image

image

image

image

image

image

联系方式
学院办公室:023-87388073
学生工作办公室电话:023-87388074
地址:重庆市璧山区璧青北路1001号
邮箱:2788394605@qq.com

重庆机电职业技术大学 版权所有 © 2017 / 地址:重庆市璧山区璧青北路1001号 / 电话:023-41586008 /邮编402760/ 渝ICP备12000681号